Çanak Başlı Kare Boyunlu Cıvata GB-T 14
Ürün: Fincan Başlı Kare Boyun CıvatalarıBüyük Britanya-T 14
Mülkiyet Sınıfı:4.6,4.8,5.6,5.8,8.8,10.9,12.9,
A2-70, A4-70,A4-80
Kaplama: Çinko Kaplama (Sarı Çinko, Çinko Mavi, Durulama Rengi), Siyah, Fosfat ve Yağ, Çinko Fosfat, Sıcak Daldırma Galvanizli (HDG), Dacromet, Geomet
Malzeme:Çelik
İhracat ülkesi: ABD, Japonya, Avustralya, Avrupa vb.
Müşteri özelleştirmesini destekleyin
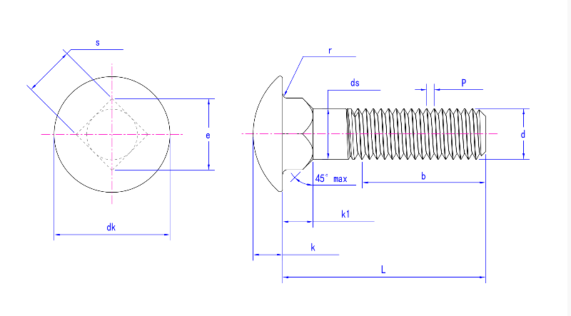
GB-T 14, büyük yarım daire başlı kare boyunlu cıvataların ilgili parametrelerini ve performansını belirtmek için özel olarak kullanılan ulusal bir standart numarasıdır. Yarım daire başlı ve kare boyunlu yarım daire başlı kare boyunlu cıvatalara aittir. Yarım daire başlı kare boyunlu cıvata GB-T 14'ün başı, büyük bir yarım daire başlı olarak tasarlanmıştır. Bu şekil, daha iyi bir sabitleme etkisine ve hırsızlığa karşı koruma etkisine sahip olmasını sağlar çünkü kafa üzerinde elektrikli alet olarak kullanılabilecek bir oluk veya altıgen yuva tasarımı yoktur. Yarım daire başlı kare boyunlu cıvata GB-T 14'ün başlığının altında, kare boyundan dolayı cıvatanın somunla birlikte dönmemesini sağlayan ve böylece bağlantının stabilitesini artıran kare bir boyun bulunmaktadır. İyi sabitleme etkisi ve hırsızlık önleme etkisi nedeniyle yarım daire başlı kare boyunlu cıvata GB-T 14, otomobiller, tekstil makineleri, un makineleri, cankurtaran botları vb. gibi yüksek mukavemetli sabitleme gerektiren çeşitli durumlarda yaygın olarak kullanılır. ve yarım daire başlı kare boyunlu cıvata GB-T 14 kullanılarak, bağlantının stabilitesini ve güvenliğini sağlamak için özel uygulama senaryolarına ve ihtiyaçlara göre uygun özellikler ve malzemeler seçilmelidir.
Resimler
Ürün çizimi
Ürün özellikleri
Boyut |
M5 |
M6 |
M8 |
M10 |
M12 |
M16 |
M20 |
|
P |
0,8 |
1 |
1.25 |
1.5 |
1.75 |
2 |
2.5 |
|
e dk |
5.9 |
7.2 |
9.6 |
12.2 |
14.7 |
19.9 |
24.9 |
|
dk |
maksimum |
13 |
16 |
20 |
24 |
30 |
38 |
46 |
dk. |
11.9 |
14.9 |
18.7 |
22.7 |
28.7 |
36.4 |
44.4 |
|
ds |
maksimum |
5.48 |
6.48 |
8.58 |
10.58 |
12.7 |
16.7 |
20.84 |
dk. |
4.48 |
5.35 |
7.19 |
9.03 |
10.86 |
14.70 |
18.38 |
|
k |
maksimum |
3.1 |
3.6 |
4.8 |
5.8 |
6.8 |
8.9 |
10.9 |
dk. |
2.5 |
3 |
4 |
5 |
6 |
8 |
10 |
|
k1 |
dk. |
2.9 |
3.4 |
4.4 |
5.4 |
7.2 |
11.1 |
14.1 |
maksimum |
4.1 |
4.6 |
5.6 |
6.6 |
8.8 |
12.9 |
15.9 |
|
S |
maksimum |
5.48 |
6.48 |
8.58 |
10.58 |
12.7 |
16.7 |
20.84 |
dk. |
4.52 |
5.52 |
7.42 |
9.42 |
11.3 |
15.3 |
19.16 |
|
maksimum r |
0,4 |
0,5 |
0,8 |
0,8 |
1.2 |
1.2 |
1.6 |
|
Müşteri özelleştirmesini destekleyin |
||||||||
Şirketimiz hakkında bazı tanıtımlar
Başvuru
Jinan Star Company, bağlantı elemanı ürünlerinin üretiminde uzmanlaşmıştır. Cıvatalarımız, somunlarımız ve diğer ürünlerimiz makine, demiryolları, otomobil, inşaat, elektrik, köprüler, iletişim, yangınla mücadele ve diğer endüstrilerde yaygın olarak kullanılmaktadır.
Sertifikasyon
Jinan Star Fastener Co., Ltd., çeşitli departmanların liderlerinin bilimsel yönetimi ve cıvatalar ve diğer bağlantı elemanları için yüksek kalite arayışı yoluyla ISO9001 kalite yönetim sistemi sertifikasının 2015 versiyonunu aldı. Ayrıca Star firmasına ait olan laboratuvar 2017 yılında sertifikasını almıştır. 2018 yılında ulusal CNAS sertifikasını, 2018 yılında ise Avrupa CE sertifikasını geçmiştir.
Atölye
Jinan Star Fastener Co., Ltd.'nin atölyesi, gelişmiş üretim ekipmanlarıyla şirketin üretim ve imalatının temel alanıdır. Atölyenin makul düzeni ve bilimsel üretim süreci, bağlantı elemanları ürünlerinin verimli üretimini ve yüksek kaliteli çıktısını sağlar.
Test ekipmanları
Jinan Star Fastener Company, ürün kalitesine büyük önem vermektedir ve çekme test makineleri, tork test cihazları, metalografik mikroskoplar, optik projektörler, tuz püskürtme test odaları, kaplama kalınlık göstergeleri vb. gibi eksiksiz kalite kontrol ekipmanlarıyla donatılmıştır. bağlantı elemanı ürünlerinin çekme mukavemetini ve uzamasını test edin ve ürünlerin mekanik özelliklerini değerlendirin. Bu ekipmanlar, hammaddeden bitmiş ürünlere kadar her bağlantının kalite açısından sıkı bir şekilde kontrol edilebilmesini sağlar.
Üretim ekipmanı
Farklı müşterilerin ihtiyaçlarını karşılamak için şirket, çok istasyonlu soğuk şişirme makineleri, diş haddeleme ekipmanları, ısıl işlem ekipmanları, kumlama makineleri, kumlama makineleri, galvanik hatları ve diğerleri gibi bir dizi gelişmiş üretim ekipmanını piyasaya sürdü. yüzey işleme ekipmanları ve tam otomatik paketleme ekipmanları. Bu ekipmanlar yalnızca üretim verimliliğini artırmakla kalmaz, aynı zamanda ürün kalitesinin tutarlılığını ve istikrarını da sağlar.
Paketleme
Hizmet
1. En iyi bağlantı elemanlarını özelleştirin: Teklifleri öncelikle sağlanan örneklere ve çizimlere göre özelleştirin.
2. Maliyet etkinliği: Uzman fabrikalar aracılığıyla sağlanan geniş parça seçeneği ve agresif fiyatlar.
3. Profesyonel üretici: Tüm bağlantı elemanlarımız, alıcıların özelliklerine ve performansına uygun olarak tasarlanmış ve üretilmiştir.
4. Garantili kalite: bağlantı elemanları tedarikçisinin yaşam tarzını geliştirmek için sağlamlık denemeleri ve temel bilimsel düzen.
5. Sorunlarınızı çözmek için 60 yıllık bir deneyime sahip mükemmel sabitleme seçenekleri: çok sayıda parça seçeneği.
SSS
1. Lütfen katalog gönderiniz mi?
Bir kataloğa ihtiyacınız varsa bize e-posta adresinizi bırakabilirsiniz; kataloğu 2 iş saati içinde göndereceğiz.
2. Malların üzerinde kendi logomu veya tasarımımı kullanmayı kabul edebilir misiniz?
Evet, sorun yok.
3. Kaliteyi nasıl kontrol ediyorsunuz?
Her mal grubunun her üretim bağlantısını incelemek için kalite kontrole ihtiyacımız var. Ürün tamamlandıktan sonra size MTC ve üretim birimi sertifikası sağlayabiliriz.
4. Fabrikanızı ziyaret edebilir miyim?
Elbette. Fabrikamızı istediğiniz zaman ziyaret etmenizi bekliyoruz. Sizi havaalanından veya tren istasyonundan alabilmemiz için gelmeden önce bizimle iletişime geçmeniz ve programınızı bize bildirmeniz en iyisidir.













