Cıvata Yuvarlak Başlı Kare Boyunlu
1.ASME B18.5-2 Yuvarlak Başlı Kare Boyunlu Taşıyıcı Cıvatalar
2.Kaynak cıvata üreticisi, kendi fabrikası: fiyat avantajı ile, aracıların fiyat farkını ortadan kaldırır.
3. Sektörün en iyi yüksek kaliteli kalınlaştırılmış çeliğini, yüksek stabiliteyi ve uzun ömürlü dayanıklılığı benimseyin.
4.Müşteri özelleştirmesini destekleyin.
5. Profesyonel satış ve satış sonrası servis, istediğiniz zaman bize ulaşabilirsiniz.
6.Zamanında teslimat.
Yuvarlak başlı kare boyunlu cıvatalaryaygın olarak kullanılan özel mekanik bağlantı elemanlarıdırağaç işçiliği, sac metal imalatı, inşaat ve yapısal uygulamalarBu cıvatalar, gelişmiş dönme önleme performansı, temiz estetik yüzeyler ve kare delikler veya yumuşak malzemelerle uyumluluk sunar. Bu makalede, mühendislik tasarımları, malzeme seçenekleri, uygulamaları, üretim standartları ve seçim yönergeleri incelenmektedir.
İçindekiler
Yuvarlak Başlı Kare Boyunlu Cıvata Nedir?
Yapısal Tasarım ve Mühendislik Fonksiyonu
Teknik Özellikler ve Boyutlar
Malzemeler ve Yüzey İşlemleri
Endüstri Standartları ve Uyumluluk
Endüstriyel Uygulamalar
Kurulum Yönergeleri ve Güvenlik Hususları
Sıkça Sorulan Sorular (SSS)
Sonuç ve Profesyonel Eylem Çağrısı
1. Yuvarlak Başlı Kare Boyunlu Cıvata Nedir?
Ayuvarlak başlı kare boyunlu cıvata, genellikle bir olarak anılırtaşıma cıvatasıKuzey Amerika'da, şu cıvata bulunur:
Akubbeli veya yuvarlak kafa(düz üst, sürücü yok).
Akare boyunBaşın hemen altındaki bölüm.
Kare boyun, cıvatanın montaj sırasında birleşme yüzeyine gömülerek dönmesini önler. Bu cıvatalar genellikle somun ve rondelalarla birlikte kullanılır ve aşağıdakilerin gerekli olduğu uygulamalar için idealdir:titreşime dayanıklılık ve kurcalamaya dayanıklı sabitleme.
🔧Alternatif İsimler: Araba Cıvatası, Araba Cıvatası, DIN 603 Cıvatası (Avrupa), Mantar Başlı Cıvata
2. Yapısal Tasarım ve Mühendislik Fonksiyonu
Temel İşlevsel Özellikler:
Yuvarlak Kafa: Yetkisiz kişilerin sökmesini önler ve pürüzsüz, takılmayan bir yüzey sağlar.
Kare Yaka: Kare deliklere kilitlenir veya yumuşak malzemeye (ahşap veya plastik gibi) ısırırdönmeye karşı direnç.
İncik: Düz veya kısmen dişli; diş uzunluğu standartlara ve kavrama gereksinimlerine bağlıdır.
Mühendislik Avantajları:
Titreşim Direnci: Kare boyun, dinamik uygulamalarda dönmeye karşı koruma sağlar.
Estetik Kaplama: Kafada açıkta altıgen veya yuva yok.
Kurcalamaya Karşı Direnç: Özellikle kamusal altyapılarda veya açık hava uygulamalarında kullanışlıdır.
Kurulum Kolaylığı: Sadece tek taraftan erişim gerektirir; kör montajlar için uygundur.
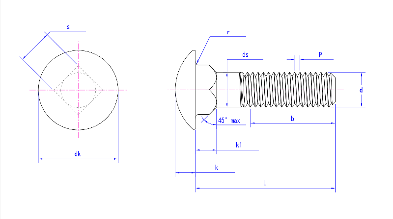
3. Teknik Özellikler ve Boyutlar
Tipik Boyut Parametreleri (ASME B18.5.2.1M veya DIN 603'e göre):
| Mülk | Metrik Boyutlar (M6–M20) | İmparatorluk Ölçüleri (1/4"–3/4") |
|---|---|---|
| Kafa Çapı | 1,4× nominal çap | – |
| Kafa Yüksekliği | 0,3× nominal çap | – |
| Kare Boyun Genişliği | Şaft çapına eşittir | – |
| Konu Aralığı | ISO Metrik / UNC / UNF | Varsayılan olarak UNC |
| Konu Uzunluğu | Kısmi (cıvata uzunluğuna bağlıdır) | – |
| Tolerans Sınıfı | 6g / 6H (metrik) | Herhangi biri / Baba (inç) |
10 mm nominal çap
~50 mm toplam uzunluk
Dişli kısım genellikle ~26–30 mm
Kare boyun genişliği = 10 mm
Kafa çapı = ~24 mm
4. Malzemeler ve Yüzey İşlemleri
Ortak Malzemeler:
| Malzeme | Özellikler | Uygulamalar |
|---|---|---|
| Karbon Çelik (Sınıf 4.6/8.8) | Maliyet etkin, yüksek çekme dayanımı | Genel inşaat, ahşap doğrama |
| Paslanmaz Çelik (A2/A4) | Korozyona dayanıklı, manyetik olmayan (A2) | Deniz, gıda sınıfı, dış mekan yapıları |
| Pirinç | Korozyona dayanıklı, estetik görünüm | Dekoratif sabitleme, düşük voltajlı elektrik |
| Alaşımlı Çelik (Sınıf 10.9/12.9) | Yüksek yük kapasitesi, ısıl işlem görmüş | Yüksek gerilimli yapısal derzler |
Çinko Kaplama (Mavi/Sarı)– Orta düzeyde korozyon direnci
Sıcak Daldırma Galvanizli– Dış mekan/ağır hizmet tipi kullanım için (ISO 1461)
Siyah Oksit– Hafif korozyon koruması, estetik
Pasifleştirme (sadece SS)– Paslanmaz çeliğin korozyon direncini artırır
⚙️Çevresel maruziyete, mekanik yüke ve eşleşen bileşenlerle galvanik uyumluluğa göre malzemeleri seçin.
5. Endüstri Standartları ve Uyumluluk
Yuvarlak başlı kare boyunlu cıvatalar uluslararası standartlara göre üretilmektedir:
| Standart | Tanım |
|---|---|
| ASME B18.5.2.1M | Metrik araba cıvataları |
| ASME B18.5 | İnç serisi yuvarlak başlı cıvatalar |
| DIN 603 / ISO 8677 | Avrupa metrik standartları |
| BS 4933 | Araba cıvataları için İngiliz standartları |
| RoHS / ULAŞIM | Malzeme güvenliği uyumluluğu (AB) |
| ISO 898-1 / ASTM A307 | Karbon/alaşımlı çelik için mekanik özellikler |
6. Endüstriyel Uygulamalar
| Endüstri | Uygulama Örneği |
|---|---|
| Yapı | Ahşap kirişlerin, korkulukların ve kirişlerin sabitlenmesi |
| Mobilya İmalatı | Düz paket ve kendin yap mobilya birleştirmeleri |
| Kamu Altyapısı | Park bankları, çitler, yol işaretleri |
| Denizcilik ve Açık Deniz | Tuz dayanıklı paslanmaz çeşitleri |
| Otomotiv | Gövde paneli bağlantısı, kamyon kasası montajları |
| Elektrik Muhafazaları | Kurcalamaya dayanıklı sabitleme |
7. Kurulum Yönergeleri ve Güvenlik Hususları
Kurulum Adımları:
Cıvatayı önceden delinmiş yuvarlak veya kare delikten geçirin.
Kare boynun tamamen gömüldüğünden emin olun (gerekirse sıkıca oturtun veya çekiçle düzleştirin).
Karşı taraftaki rondela ve somunu kullanın.
Bir anahtar veya tork anahtarı kullanarak belirtilen sıkma değerine göre sıkın.
Güvenlik Notları:
Ahşapta aşırı sıkmayın, bu liflerin ezilmesine veya çekilmesine neden olabilir.
Açık hava yapıları için kullanınsıcak daldırma galvanizli veya A4 paslanmazpaslanmayı önlemek için.
Emin olmakdoğru iplik etkileşimi— minimum 1,5× cıvata çapı.
8. Sıkça Sorulan Sorular (SSS)
S1: Yuvarlak başlı kare boyunlu cıvataları metal yapılarda kullanabilir miyim?
Evet, kare boyun önceden delinmiş kare bir deliğe veya yüksek sürtünmeli bir yüzeye uyuyorsa. Aksi takdirde, kilitleme rondelaları veya somunları kullanın.
S2: Araba cıvataları kurcalamaya dayanıklı mıdır?
Bunlarkurcalamaya dayanıklıPürüzsüz başlığı sayesinde. Gerçek bir kurcalamaya karşı koruma için kesme cıvatalarını veya emniyet başlıklarını tercih edin.
S3: Hangi torku uygulamalıyım?
BakınızISO 898-1 veya ASME tork çizelgeleri, malzeme kalitesine ve diş tipine bağlı olarak.
S4: Bu cıvatalar tekrar kullanılabilir mi?
Evet, hasarsızsa. Ancak, iplik deformasyonu veya boyun aşınması meydana gelirse, değiştirilmesi önerilir.
S5: DIN 603 ile ASME B18.5 cıvataları arasındaki fark nedir?
DIN 603 cıvatalar metrik dişlere ve emperyal dişlere sahip ASME cıvatalarına kıyasla biraz farklı baş boyutlarına sahiptir.
9. Sonuç ve Profesyonel Harekete Geçme Çağrısı
Yuvarlak başlı kare boyunlu cıvatalarsağlamaketkili, güvenli ve temiz sabitleme çözümüÇeşitli endüstriler ve yapısal uygulamalar için. İster ahşap iskelet, ister dış mekan inşaatı veya mekanik montajda kullanılsınlar, şunları sunarlar:
Dönme önleyici kilitleme
Estetik kafa tasarımı
Geniş malzeme ve boyut seçeneği
Küresel standartlara uyum
Ürün çizimi





